您在这里:
首页
服务
技术信息
技术信息
液压缸
技术信息
液压缸
计算
作用方式
缓冲
产品系列
固定装置
液压油口
用于阀块
用于螺纹接头
油口类型径向
轴向油口类型
螺纹接头 G ⅛
螺纹接头 G ¼
螺纹接头 G ⅜
螺纹接头 G ½
螺纹接头 G ¾
螺纹接头 G1
螺纹接头 G 1 ¼
螺纹接头 G 1 ½
活塞杆端
安装
喷漆
液压缸装备
夹紧装置
传感器技术
附件和工具
Häko
产品配置器
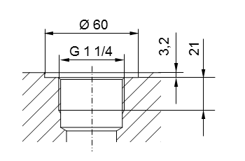
用于螺纹接头G1 1/4的液压油口
螺纹轮廓
管螺纹 ISO 228 第 1 部分 - G1 1/4
用于符合 DIN 3852 第 2 部分 A 型(带符合 DIN 3869 的密封圈)或 B 型(带密封边)的旋入式接头
请勿使用密封剂。
打印页面
www.haenchen.de | info@haenchen.de
技术信息
液压缸
计算
作用方式
缓冲
产品系列
固定装置
液压油口
用于阀块
用于螺纹接头
油口类型径向
轴向油口类型
螺纹接头 G ⅛
螺纹接头 G ¼
螺纹接头 G ⅜
螺纹接头 G ½
螺纹接头 G ¾
螺纹接头 G1
螺纹接头 G 1 ¼
螺纹接头 G 1 ½
活塞杆端
安装
喷漆
液压缸装备
夹紧装置
传感器技术
附件和工具
Häko
产品配置器
主页
产品
液压缸
标准油缸
标准缸-DIN/ISO
伺服油缸
测试缸
特制缸
特种机械制造
工业机械
试验机
机器改造
机器安全
夹紧装置
夹紧装置 锁紧装置
夹紧装置 防坠落装置
通过DGUV测试认证的夹紧装置
机械元件
活塞杆、轴、心轴
密封系统、导向元件
固定装置
增压器和液压介质分离器
增压器
减压器
液压介质分离器
液压工具
控制阀块
振动消音器和结构噪声消音器
旋入式通气过滤器
公司 | 职业发展
家族企业
工作 & 职业发展
可持续性
应用
设备、机器
试验台建造、测试
保持、保护
行业
铸造 - 压铸
试验台技术
船舶建造
服务
配置器
研讨会
下载
维护指南
技术信息
最新资讯
最新消息
展会 & 活动
联系方式
菜单
DE
德语
英语
法语
中文
联系方式