液压导向柱是一种外部硬化的立柱,集成了液压缸。这样,与活塞杆连接的负载可以被精确地导向和移动,而不会因侧向力而使缸体本身承受负载。
通过液压导向柱,可以用一个组件节省空间地实现两个功能:液压缸的线性运动和圆形立柱的精确导向。由于导向柱的表面经过硬化处理,因此可以传递非常大的导向力。
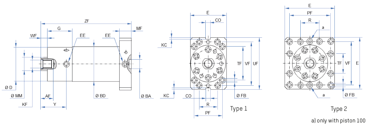
带有两侧缓冲的单出杆液压缸
端盖密封系统:Servocop®
PU/NBR,适用于温度高达100°C的液压油
PU+/NBR,适用于温度高达60°C的HFC介质
FKM,适用于温度高达200°C
20MnV6镀铬和珩磨的
42CrMo4V硬化的、镀铬和珩磨的
缸体:活塞侧矩形法兰,
活塞杆:内螺纹
根据ISO 228标准
油口位置:活塞侧和活塞杆侧或两个都集成在活塞侧
外部:表面淬硬52 HRC,可选镀铬
内部:珩磨的
|
活塞直径 |
MM |
行程** | KF | AF 最小 |
WF | ZF** | G | MF | BD f9 |
D | BA H7 |
Y | PL | EE |
| 80 | 50 | 430 | M 30 | 35 | 28 | 729 | 28 | 50 | 130 | 129,8 | 40 | 78 | 27 | G 3/4* |
| 100 | 60 | 250 | M 36 | 45 | 30 | 615 | 114 | 55 | 155 | 154 | 40 | 119 | 32 | G 3/4 |
| 100 | 60 | 400 | M 42 x 1,5 | 60 | 28 | 835 | 105 | 70 | 160 | 155 | 50 | 110 | 40 | G 3/4 |
| 125 | 80 |
400 |
M 60 x 2 | 55 | 42 | 949 | 154 | 70 | 180 | 179,8 | 50 | 162 | 33 | G 1 |
|
活塞直径 |
法兰 |
UF | E | TF | VF | R | PF | CO -0,1 |
KF | FB | p max. |
| 80 | 型号 1 | 185 | 130 | 155 | 122 | 60 | 102 | - | - | 19 | 160 巴 |
| 100 | 型号 1 | 225 | 155 | 150 | 190 | 64 | 118 | 25 | 5 | 21 | 200 巴 |
| 100 | 型号 2 | 255 | 250 | 70 | 170 | 100 | 204 | - | - | 26 | 160 巴 |
| 125 | 型号 2 | - | 255 | 70 | 210 | 100 | 210 | - | - | 26 | 160 巴 |
尺寸单位:毫米
* EE 活塞杆侧,在活塞侧法兰中附加
** 不同的行程和安装长度
抽芯液压缸是非常坚固的液压缸,专为压铸机的需求而设计。
通过外部安装的带限位开关的位置检测系统,两个端位可以灵活地定位到任何位置。通过位置检测系统,确保活塞杆不会发生扭转。
现代化的密封系统延长了油缸的使用寿命。
单出杆液压缸,可选配缓冲
端盖密封系统:Servocop®
PU/NBR,适用于温度高达100°C的液压油
PU+/NBR,适用于温度高达60°C的HFC介质
FKM,适用于温度高达200°C
20MnV6镀铬和珩磨的
42CrMo4V硬化的、镀铬和珩磨的
液压缸:活塞杆侧的快换法兰
活塞杆:连接轴颈
符合 ISO 228 标准
油口位置:活塞侧和活塞杆侧
高达160 巴
| 活塞直径 | 活塞杆 Ø |
油口 | 排气 | LB | a | d | C | b | c | c2 | c3 | l8 | l9 |
| 40 | 20 | G 1/4 | M 8 x 1 | 134 | 13 | 19 | 20 | 10 | 68 | 50 | 52 | 53 | 14 |
| 50 | 25 | G 3/8 | M 8 x 1 | 150 | 17 | 24 | 26 | 13 | 80 | 60 | 64 | 61 | 15 |
| 60 | 30 | G 1/2 | M 8 x 1 | 164 | 20 | 29 | 30 | 15 | 95 | 70 | 76 | 68 | 17 |
| 80 | 40 | G 1/2 | M 8 x 1 | 199 | 27 | 39 | 40 | 20 | 116 | 95 | 102 | 73 | 23 |
| 100 | 50 | G 3/4 | M 8 x 1 | 217 | 34 | 49 | 50 | 25 | 140 | 120 | 126 | 76 | 22 |
| 125 | 60 | G 1 | M 8 x 1 | 248 | 40 | 59 | 60 | 30 | 168 | 145 | 158 | 80 | 38 |
| 140 | 80 |
G 1 1/4 |
M 8 x 1 | 268 | 54 | 79 | 80 | 40 | 200 | 160 | 180 | 89 | 31 |
| 160 |
100 |
G 1 1/4 | M 8 x 1 | 302 | 67 | 99 | 100 | 50 | 220 | 190 | 202 | 91 | 50 |
|
160 |
120 |
G 1 1/4 | M 8 x 1 | 326 | 80 | 119 | 120 | 60 | 240 | 220 | 228 | 110 | 46,5 |
| 活塞直径 | 活塞杆 Ø |
z1 | MF | k | FB | UF | E | H | LF+ |
| 40 | 20 | 60 | 40 | 105 | 18 | 141 | 80 | 98 | 60 |
| 50 | 25 | 60 | 40 | 150 | 25 | 200 | 90 | 103 | 60 |
| 60 | 30 | 70 | 50 | 160 | 25 | 210 | 110 | 113 | 60 |
| 80 | 40 | 70 | 50 | 180 | 25 | 230 | 130 | 123 | 60 |
| 100 | 50 | 75 | 55 | 210 | 25 | 260 | 150 | 133 | 60 |
| 125 | 60 | 85 | 65 | 250 | 30 | 310 | 180 | 148 | 60 |
| 140 | 80 | 85 | 65 | 280 | 35 | 350 | 220 | 168 | 60 |
| 160 | 100 | 100 | 80 | 290 | 39 | 370 | 240 | 178 | 60 |
| 160 | 120 | 110 | 90 | 310 | 45 | 400 | 260 | 188 | 60 |
尺寸单位:毫米