考虑到欧盟机械指令,液压控制系统的设计应尽可能降低对人类和环境的危害。这意味着,除了其固有的技术功能外,机器或其中安装的驱动器还必须满足风险分析规定的安全等级。
在液压系统中,这些控制功能通过电子控制装置与液压模块组合来实现。在这些液压控制模块中,所需的阀紧凑地布置在一起。

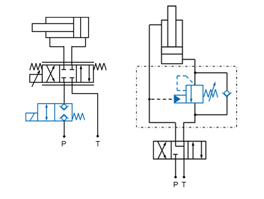
此功能将驱动装置与压力供应分离。这是通过压力管路 P 中的截止阀实现的。
在某些情况下,可能需要调整下降速度,以保护人员或部件。这可以通过在回油油口中使用下降制动阀(背压阀)来实现。
在高动态性能应用中,多个伺服阀通过一个油口块连接,以实现高流量。在低速运行时,仅使用一个小阀。这通过两个或多个调节阀或开关阀实现。
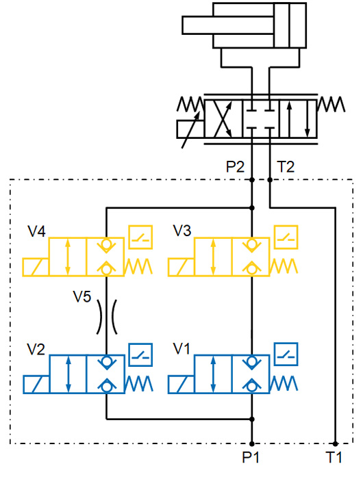
每个控制阀块都必须根据具体的应用进行单独设计。这种详细设计由Hänchen的液压阀块专家完成。以下是可集成到阀块中的一些可能的功能。
除了技术功能外,机器还必须满足风险评估规定的安全要求,以尽可能降低对人员的危害。通过冗余设计,以下液压功能可用作 PLe 级别的安全功能:
在设置模式下,可能需要降低速度,以避免与安全相关的危险。这通过旁路与截止阀V2和节流阀V5以及主流量中的截止阀V1来实现。
通过将油锁定在腔室中,活塞位置在力的作用下保持不变。这通过管路A和/或B中的截止阀V1和/或V2来实现。如果用户端存在间隙密封,则还必须关闭功能油管路。
安全功能:串联连接的位置监控截止阀(V3和V4)的冗余执行
在进行材料测试时,必须确保测试领域内的人员可以安全地工作,例如,不会受到挤压或割伤。为了安全地控制 PLd 级别的液压流量,安全阀块中采用了以下功能: