在控制Ratio-Clamp® 时,必须首先通过在解锁油口上施加压力来解锁它,然后才能移动活塞杆。
当夹紧装置与液压缸一起使用时,可以通过液压顺序控制来实现:
首先建立解锁压力,然后对液压缸施加压力。合适的阀会夹紧液压缸中的压力,因此即使在垂直负载下,Ratio-Clamp® 也可以几乎无冲击地解锁。
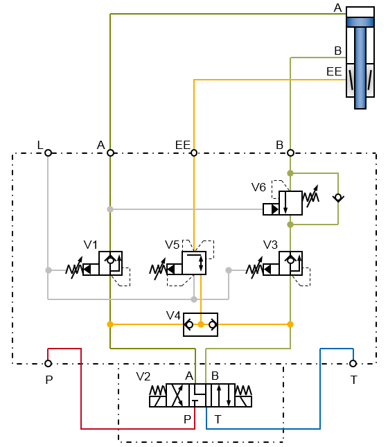
控制块安装在换向阀 V2、夹紧装置和液压缸之间,可确保逻辑和功能正确的控制,从而最大限度地减少用户在电路技术方面的投入。
控制阀块基本类型:适用于夹紧装置的水平安装位置,使用压力高达160巴。
通用型控制阀块:适用于夹紧装置的水平和垂直安装位置,使用压力高达300巴。
集成功能
动作顺序
当使用Ratio-Clamp®夹紧装置与液压缸配合时,必须首先通过在解锁油口 EE 处施压来松开夹紧装置,然后才能通过对液压缸的作用面积施压(通过油口 A 或 B)来移动活塞杆。
如果到液压缸的油口A或B中的压力下降,例如在达到特定位置后通过切换方向阀,则解锁油口EE中的压力也会下降,并且Ratio-Clamp® 夹紧装置将再次锁定。
在使用控制块时,无论是在基本类型还是在通用类型中,此过程都会自动进行。换向阀 V4 控制夹紧装置的解锁压力,并且只有在此处建立压力后,相应的压力顺序阀 V1 或 V3 才会对液压缸的相应腔室施加压力。
保持负载
在垂直安装时,夹紧装置将承担气缸上的负载。负载已得到保护。
在这种情况下,与负载相对应的保持压力通过下降制动阀 V6 锁定在油口 B 处的液压缸腔室中。
在夹紧后重新启动时,即解锁时,该保持压力将承担负载,直到达到阀的开启压力并且液压缸移动。这使得几乎无冲击的重新启动成为可能。
此功能仅在通用版本中实现。
压力降低
在通用版本300巴中,减压阀V5将解锁压力限制在160巴。这是Ratio-Clamp®夹紧装置的最大允许解锁压力。
如果要以更高的压力操作液压缸,则此功能尤其必要。
请注意,夹紧装置只能承受最大允许锁紧力。
此功能仅在通用版本中实现。
| A |
伸出油口 | V1, V3 | 压力顺序阀 |
| B | 缩回油口 | V2 | 换向阀 |
| EE | 解锁油口 | V4 | 换向阀 |
| L | 泄油口 | V5 | 减压阀 pmax = 160 巴 |
| P, T | 压力油口,油箱 | V6 | 下降制动阀 |
即使在不带液压缸的情况下使用夹紧装置,也必须注意,夹紧装置必须完全解锁后,活塞杆才能移动。
如果在高性能级别中使用,下降制动阀 V6 也可以配备反馈功能。
技术参数
最大压力 pmax = 300 巴
流量 Vmax = 45 升/分钟
油温 -20 °C 至 80 °C
NBR 密封件
符合 DIN 51524 标准的 VG 20 至 68 HLP、HLPD 矿物油,清洁度符合 ISO 4406 标准 19/17/14