在液压系统中,通过电子控制与液压模块的结合来实现运行和安全功能。这些控制模块将所需的阀紧凑地布置在一起,可以根据功能安装在液压缸上或旁边。
技术参数 控制模块
我们的连接块,一种标准化的阀块
Hänchen启动块是一个标准化的阀块,集成了以下功能:
| 型号 | 额定流量 [l/min] |
油口 P | 油口 T |
| 1 | 65 | G3/4 | G3/4 |
| 2 | 130 | G1 | G1 |
| 3 | 250 | G1 ½ | G1 ½ |
控制阀块由镀锌钢制成,并通过高达280 巴的认证。
控制阀块可以扩展其他功能,或者以冗余形式执行,用于性能等级高达PLe的应用。
| 作为连接块的控制块 P AGG, T AGG: 动力单元侧油口(压力供应) P ZYL, T ZYL: 液压缸侧油口(用户) |
每个控制阀块都必须根据具体的应用进行单独设计。这种详细设计由Hänchen的液压阀块专家完成。以下是可集成到阀块中的一些可能的功能。
功能:关闭
带 A-B 关闭功能的截止阀块
由于其设计,换向阀,特别是控制阀,总是存在泄漏。 在运行过程中,这并不重要,因为压力供应会补充足够的流量。 但是,为了防止液压缸在无压力状态下垂直安装时在负载下下降,必须通过安全阀块(阀块)单独关闭通往液压缸的管路 A 和 B。
最好将截止功能直接集成到阀板中,并直接安装在液压缸上。这样,阀块和液压缸之间就不需要软管连接。因此,即使在整个能源供应发生故障或液压管路技术损坏的情况下,液压缸也不会下降。
如果液压缸中存在泄漏,例如由于环状间隙密封的功能油,则还必须单独关闭相应的功能油管路。
对于活塞上带有间隙密封的液压缸或对于静压轴承,此措施不足以防止下降。 在这种情况下,必须采取其他预防措施,例如夹紧装置。
为了防止垂直向下安装的活塞杆下降,仅关闭活塞杆侧是不够的。 关闭两侧可提高安全性,因为这样压力就不会施加在活塞侧。
与安全控制系统结合使用,通过两个截止阀的串联,可以达到符合 DIN EN ISO 13849-1 标准的 PLe 性能等级。在这种情况下,截止阀必须按照 DIN EN ISO 13849-1 进行位置监控,并集成到控制系统中。控制系统本身必须满足所需的安全标准。
| 具有 A-B 截止功能的控制阀块,用于 PLe |
功能:设置模式
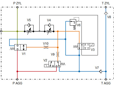
安全阀块 - 具有降低速度的关闭功能
特别是在设置模式下,机器必须能够以降低的速度移动每个驱动轴。 根据要求和风险评估,可能有必要将此设置回路作为安全功能执行。 为此,必须在液压控制块中使用固定节流阀或没有工具就无法调节且另外安全固定的节流阀。
在此控制块的电路示例中,运行中 PLe 应用所需的流量通过两个止回阀 V1 和 V2 分隔。
与此同时,使用止回阀 V3 和节流阀 V4 构建了一个旁路,该旁路为设置模式提供降低的流量。
因此,可以使用通过节流阀安全降低的速度来移动驱动器。 根据应用和安全要求,可能需要另一个止回阀 V5,该止回阀 V5 将节流阀 V4 与止回阀 V3 围起来。
|
带有 A-B 截止功能的液压控制块,用于 PLe |